前の画像
次の画像
記事へ
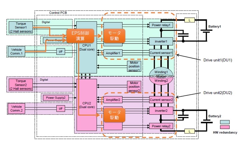
回路構成概略図(JFOPS4)
ジェイテクト、2022年4月にすべての事業ブランドを「JTEKT」に統一
2022年1月19日
ジェイテクト子会社3社が合併 2022年4月1日付けで「株式会社ジェイテクトファインテック」発足
2021年10月19日
新型「ランドクルーザー」にジェイテクトの「トルセンLSD」2種や「ハブユニット」搭載
2021年10月13日
「ミライ」「LS」の高度運転支援搭載車両にジェイテクトのEPSが採用
2021年7月26日
日産の新型SUV「ローグ」にジェイテクトの新世代電動パワーステアリング採用
2021年1月21日